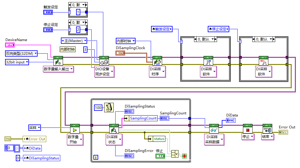
数字量同步主 [SyncDiMaster]

在使用两个设备进行同步操作的示例中,在“设备名设定”中指定主设备。

从设备使用“数字量同步从”例子(SyncDiSlave.vi)。

请在运行此例子之前运行从例子。


前面板

 


程序框图

 


示例说明

当主设备在设定条件下操作时,从设备同步操作。

要停止操作,请按“停止”按钮。

 

此例子用于主设备,并与从例子结合使用。

如果要在一个VI中使两个设备同步动作,请参阅“计数器同步采样”例子(SamplingCntSync.vi)。

 

必须事先使用电缆(随产品添附)连接主从的同步控制连接器。