数字量采样 [SamplingDi]

当指定采样时钟和次数后执行时,对数字量输入进行采样。


前面板

 


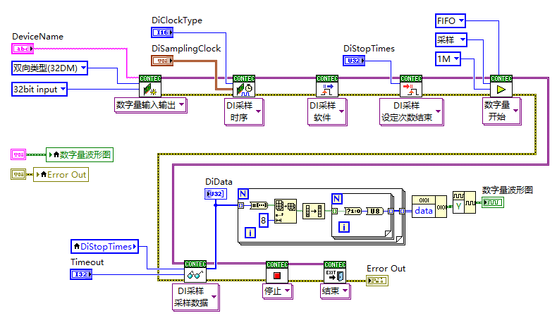
程序框图

 


示例说明

在初始状态下,以1毫秒(1000μSec)的周期进行1000次采样,并显示结果。

 

在初始状态下,以1毫秒为周期进行1000次采样,因此结果在开始1秒后显示。