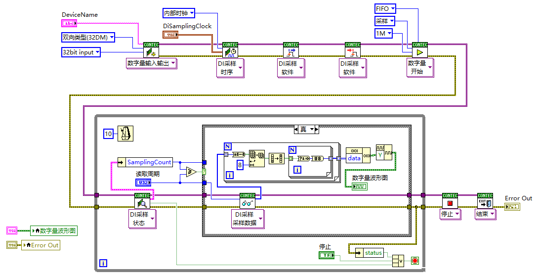
数字量无限采样 [InfiniteDi]

当指定采样时钟和读取周期后执行时,将执行数字输入的无限采样。

要结束操作,请按“停止”按钮。


前面板

 


程序框图

 


示例说明

在初始状态下,以1毫秒(1000μSec)的周期采样,每1000个数据在显示在图表上。

 

在初始状态下,以1毫秒的周期采样,每1000个数据进行读取,因此图表每1秒更新一次。